Sind Ihre Holzfenster nicht mehr im besten Zustand?

Unsere hochmodernen Wetterschutzprofile bieten Ihren Fenstern einendauerhaften und effektiven Schutz.

Mit unseren Wetterschutzprofilen sindIhre Fenster optimal geschützt.Sie verhindern das Eindringen von Feuchtigkeit und bewahren die Schönheit und Funktionalität Ihrer Holzfenster.

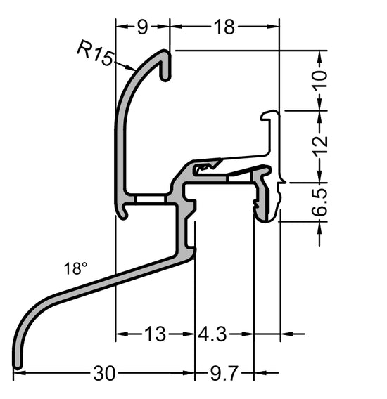
  • Flügelabdeckprofil - S (Produktempfehlung)

    Für Glasfalz 15 mm (Schräge 16 - 22mm)

    Integrierte EPDM-Dichtung zum Glas für zuverlässige und wartungsfreie Abdichtung
    ohne Silikon. Einfach auf den Fensterflügel aufklipsen, pflegeleicht und wartungsfrei.

    Hier zum Produkt

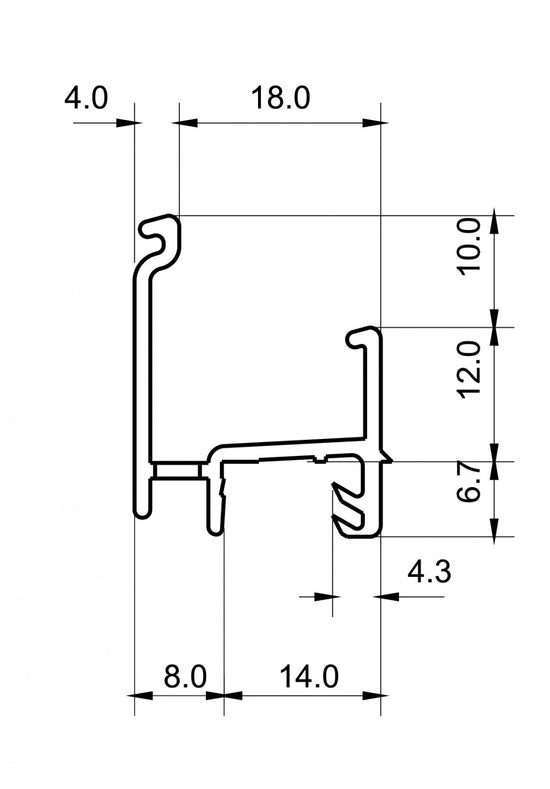
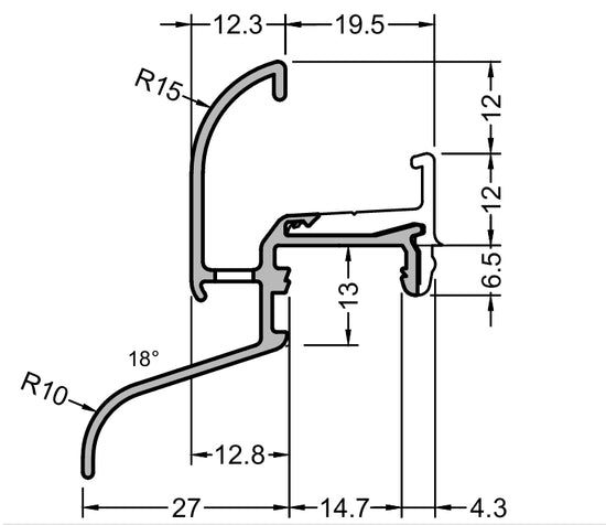
  • Flügelabdeckprofil - L

    Für Glasfalz 15 mm (Schräge 16–22 mm).

    Bietet erweiterten Witterungsschutz durch große Abdeckfläche. Die Silikonabdichtung sorgt für sicheren Glasabschluss, erfordert jedoch individuelles Ausklinken bei der Montage.

    Hier zum Produkt

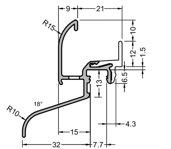
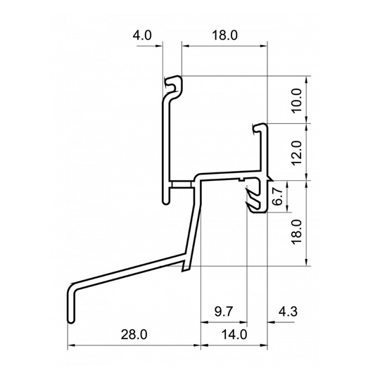
  • Flügelabdeckprofil - F16

    Für Glasfalz 15 mm (Schräge 16 - 22mm).

    Flügelabdeckprofil mit Silikonfuge zum Glas. Bietet Witterungsschutz, einfache Montage mit Clip-System, und ein schlankes, elegantes Design.

    Hier zum Produkt

  • Flügelabdeckprofil F20

    Für Glasfalz 18 mm

    Flügelabdeckprofil für breiten Glasfalz mit Silikonfuge zum Glas. Bietet Witterungsschutz, einfache Montage mit Clip-System, und ein schlankes, elegantes Design.

    Hier zum Produkt

  • Wetterschenkel - Z30

    Mit den Z-Profilen erhalten Sie eine
    günstige, aber wirkungsvolle Holzabdeckung, wenn Sie die vorhandenen
    Wetterschutzschienen nicht austauschen können.

  • Wetterschenkel - Z45

    Mit den Z-Profilen erhalten Sie eine
    günstige, aber wirkungsvolle Holzabdeckung, wenn Sie die vorhandenen
    Wetterschutzschienen nicht austauschen können.

  • Wetterschenkel - Y

    Wasser dringt ständig am unteren Teil durch Ihre Fenster ein ?

    Dann kann dieses Profil Ihre Lösung sein. Das Profil wird einfach nur angeschraubt. Die Montage ist somit sehr einfach.

    Auch am Kunststoffenster einsetzbar!

  • Regenschiene - 22/30

    Als Alternative zum Z - Profil bieten wir unsere Regenschiene an.

    Dieses
    Profil muss vor der Montage auf passgenauigkeit geprüft werden, da
    nicht jedes Holzfenster auf unser Profil abgestimmt ist.

Hier Muster aller Profile bestellen

Ideal zum testen vor Ort an Ihrem Fenster.

Sie können verschiedene Muster und Farben unserer Wetterschutzprofile in den Warenkorb legen. Es werden nur einmalig die Versandkosten berechnet.

Hier Muster bestellen !
  • Regenschiene 1426

  • Regenschiene 1295

  • Regenschiene 869

  • Regenschiene 1303

  • Regenschiene 1426

  • Regenschiene 1229*

  • Regenschiene 979

  • KOCHER LOE 32

    Falzmaß 25 mm

  • KOCHER 29/27

    Falzmaß 19 mm

  • WERRA 12/38

    Falzmaß 15 mm / 16 mm

  • NECKAR 22/30

    Falzmaß 22 mm

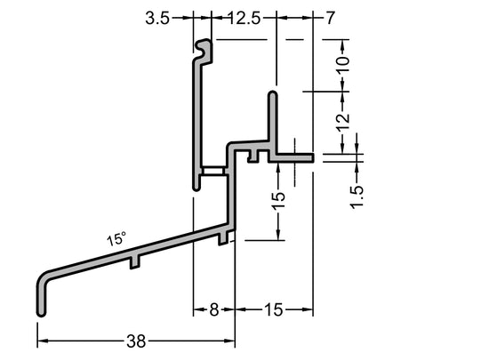
  • DL 50

Eine Investition in Qualität und Langlebigkeit

Eine Nachrüstung mit unseren maßgefertigten Flügelabdeckprofilen ist die clevere und kostengünstige Alternative zur kompletten Aluminiumverkleidung Ihrer Fenster, die mehrere hundert Euro pro Fenster kosten kann.

Unsere Profile bieten Ihnen hochwertigen Schutz und eine attraktive Optik zu einem Bruchteil der Kosten.

Mühelose Montage: Optimaler Wetterschutz - ganz einfach!

Unsere Flügelabdeckprofile S stellen eine benutzerfreundliche und effiziente Nachrüstlösung dar, die gezielt empfindliche Bereiche von Fenstern abdeckt und somit deren Langlebigkeit und Schutz erheblich verbessert.

Das innovative Profil S ist so konzipiert, dass es sich mühelos auf das Fenster aufklipsen lässt. Durch die integrierte Gummidichtung am Glas wird eine zuverlässige Abdichtung gewährleistet, die vollkommen ohne den Einsatz von Silikon auskommt.

Dies erleichtert nicht nur die Montage, sondern verhindert auch das Risiko von unschönen Silikonresten und -verfärbungen im Laufe der Zeit.

  • Klips Halter - Flügelabdeckprofil S

    2,59 € / Stück

  • Endkappen - Flügelabdeckprofil S

    3,89€ / Paar